Print current pageProduct Description
- brief introduction
- technical parameter
- Product size
Application
HGL series changeover switch ( referred to as the changeover switch) for AC 50Hz, rated voltage up to 660V , the DC rated voltage to 440V, the rated current of 125A-3150A. In the industrial enterprise distribution system do not frequently connected with the breaking circuit and isolation circuit, only electrical isolation. Do not operation with load.
Structure characteristics
Switch with unsaturated polyester plastic DWC manufacturing shell, spring energy storage acceleration mechanism can quickly connect and disconnect, parallel double breakpoint rolling contact mechanism by the pressure spring to ensure contact pressure, automatically determine the off and limit position, with The obvious on-off mark indicates the on-off position.
Normal operating conditions
Ambient temperature: -5°C~+40°C
Altitude: ≤2000m;
When the ambient air temperature is +40°C, the relative humidity of the air shall not be higher than 50%; a higher relative humidity is allowed at a lower temperature; for example, for the wettest month, the maximum relative humidity averaged shall be 90% while the lowest temperature averaged in that month +20°C, and special measures shall be taken for the condensation occasionally produced due to temperature change.
Pollution degree: 3
The ambient air is not significantly polluted by dust, smoke, corrosive and/or flammable gases, vapours or salt.
Model

Main Technical Data

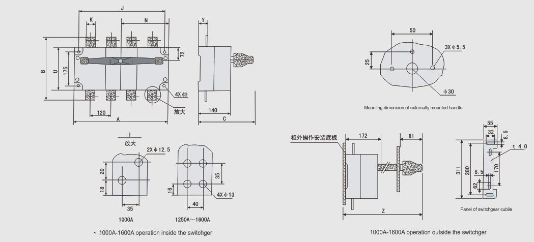
External And Installation Size
125A - 630A

HGL lateral operation and HGL changeover switch disconnector

1000A - 1600A

HGL lateral operation and HGL changeover switch disconnector

2000A - 3150A

HGL lateral operation and HGL changeover switch disconnector

HGL-125~1600/C,HGL-125~1600/CS


HGL-2000~3150/C,HGL-2000~3150/CS



中文
ENGLISH
Email:
website:
Service hotline





