Print current pageProduct Description
- brief introduction
- technical parameter
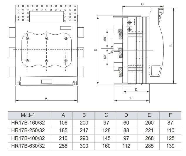
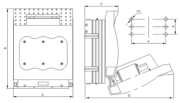
- Product size
Application
HR17 fuse-switch disconnector (hereinafter referred to as the switch) is mainly used for rated voltage AC 800V, rated voltage to 690V, rated current to 630A, the rated frequency of 50Hz, for high short-circuit current distribution circuit and motor circuit (Note: 63A and below switches do not apply in the capacitor cabinet), used as a power switch, disconnecting switch and emergency switch, and for circuit protection purposes, but generally not as a direct opening and closing of a single motor.
Standard: IEC/EN 60947-3.
Normal operating conditions
Ambient temperature: -5°C~+40°C
Altitude: ≤2000m;
When the ambient air temperature is +40°C, the relative humidity of the air shall not be higher than 50%; a higher relative humidity is allowed at a lower temperature; for example, for the wettest month, the maximum relative humidity averaged shall be 90% while the lowest temperature averaged in that month +20°C, and special measures shall be taken for the condensation occasionally produced due to temperature change.
Pollution degree: 3
The ambient air is not significantly polluted by dust, smoke, corrosive and/or flammable gases, vapours or salt.
Model
Main Techincal Data

External And Installation Size
HR17B-160~630A

HR17B-40~630A


HR17B-160~1600A (1P)



中文
ENGLISH
Email:
website:
Service hotline





