Print current pageProduct Description
- brief introduction
- technical parameter
- Product size
Application
ZMW45 series intelligent conventional circuit breakeris applicable for distribution network of AC50Hz withrated voltage up to and including 690V and rated current400A~6300A, used to distribute electric energy andprotect the power equipment against overload, under-voltage, short-circuit or single-phase grounding fault.This circuit breaker has intelligent protection functionand accurate selective protection, it improves reliabilityof power supply and avoids unnecessary power failure.Meanwhile, it has open type communication interface,it is able to carry out four remote controls, satisfyingrequirements of control center and automatic system.Pulse withstand voltage of this circuit breaker at altitude2000m is 8000V (it can be corrected for different altitudesaccording to the standard, but not over 12000V at most).This circuit breaker also can be used as disconnectorwhen it is prepared without intelligent release or sensor, marked as ? ? ? ? ? ?.This circuit breaker is in accordance with GB14048.2Low-voltage switchgear and controlgear-Low-voltagecircuit breakers and IEC947-2 Low-voltage switchgearand controlgear-Circuit breakers.?
Model

Main Technical Data
Circuit breaker rated current

Circuit breaker rated breaking capacity

Circuit breaker rated continuous current

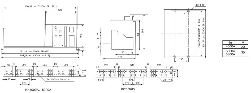
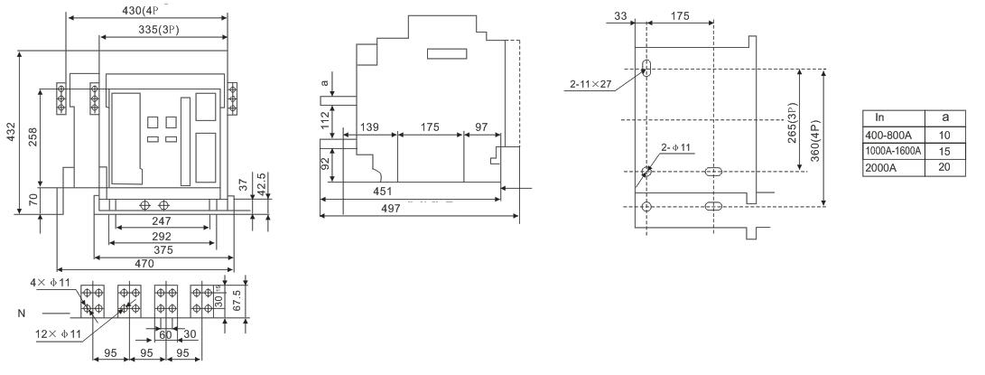
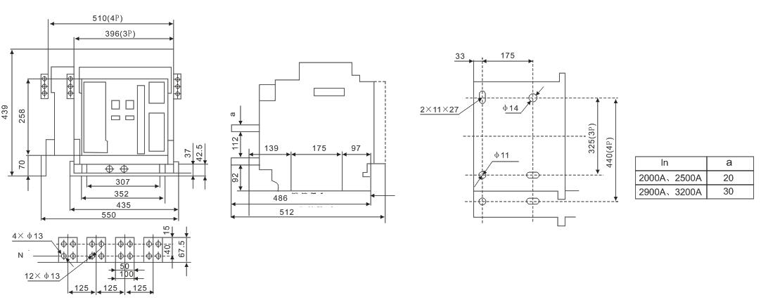
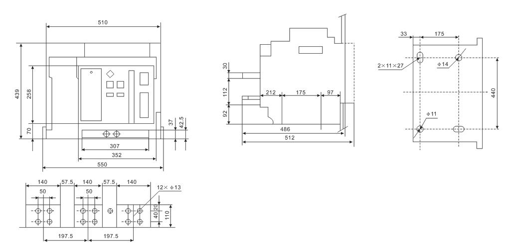
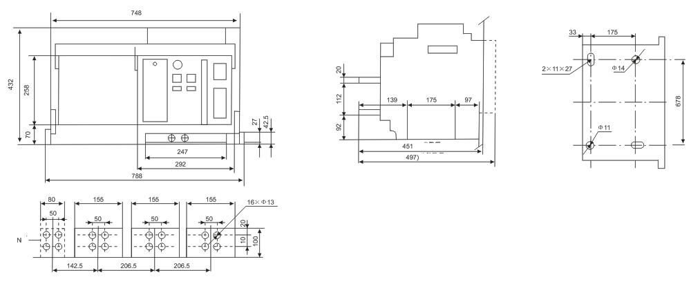
External And Installation Size
ZMW45-2000A Fixed circuit breaker

ZMW45-3200A Fixed circuit breaker

ZMW45-4000A 3P Fixed circuit breaker

ZMW45-2000A 4P Fixed circuit breaker

ZMW45-6300A Fixed circuit breaker

ZMW45-2000A Drawer stype circuit breaker

ZMW45-3200A Drawer stype circuit breaker

ZMW45-4000A 3P Drawer stype circuit breaker

ZMW45-4000A 4P Drawer stype circuit breaker

ZMW45-6300A Drawer stype circuit breaker


中文
ENGLISH
Email:
website:
Service hotline





