Print current pageProduct Description
- brief introduction
- technical parameter
- Product size
Application
DW15 series conventional circuit breaker (hereinafter?referred to as circuit breaker) and DWX15 series?conventional current-limiting circuit breaker (hereinafter?referred to as circuit breaker), rated current 100A~4000A ?(current-limiting circuit breaker up to 630A), AC50Hz?and rated voltage 380V~660V (Inm≥1600A only class?of 380V). They are mainly used to distribute electric?energy, protect the circuit and power equipment against?overload, under-voltage or short-circuit in the distribution?network.DW15-630 also can be used to protect the?motor against overload, under-voltage or short-circuit?in power grid of AC 50Hz with voltage 380V, in addition?to the fixed type structure, the circuit breaker also has?with draw able type. Under normal conditions, this?circuit breaker can be used to change over the circuits?infrequently, DW15-630 and current-limiting circuit?breaker also can be used for infrequent starting of?motor. The current-limiting circuit breaker is especially?suitable for networks that may come across heavy?short-circuit current.
The products are in accordance with the standards?IEC60947-2, GB14048.2 and JB8590.1.
Normal working condition and mounting conditions
Ambient temperature: -5℃ ~ 40℃, daily average over 35℃
Altitude not more than 2000m;
Ambient conditions: relative humidity not more than 50% at 40, if lower temperature humidity can be higher, on the month when maxi average humidity occurs the Temperature shall be not more than 25℃, on this month the maxi average humidity shall not more ?than 90%, and there has considered the mist covering the product
Polluted class: 3 gradeInstallation class: 3 gradeMounting conditions: the mounting inclined angle shall not more than +5°
Impact vibration: there shall have no severe vibration, impact and vibration.
Characteristics
DW15-200, 400 and 630 circuit breakers are arranged in tridimensional, the contact system and both left and right side plates of instantaneous over-current release are installed on the same insulation board. There is arc-extinguishing system in the upper part, the operating mechanism can be installed right ahead or right side, there are "ON" and "OFF" indications and manual breaking button. There is shunt release on the upper left side, and there is an under-voltage release that is connected with tripping half-shaft on the back. The rapidly saturable current transformer or current-to-voltage converter is put on the lower bus. Under-voltage delay device, thermal relay or semiconductor release can be installed in lower part respectively.
DW15-1000, 1600, 2500 and 4000 circuit breakers are arranged in tridimensional, they are composed of base frame, side plate and beam, these form into the framework, contact system of each phase is set on the base frame, with arc-extinguishing chamber installed at the top. The operating mechanism is set in right front, being connected with the contact system through the main shaft. The electric operating mechanism is integrated with mechanism through square shaft and is mounted in the lower part of circuit breaker, used for energy storing or direct closing of circuit breaker, the closing after energy storing will be at the responsibility of energy-releasing electromagnet. There is de-bounce device in the upper of left side plate, used for preventing circuit breaker from bouncing during opening. Various over-current releases are mounted in the lower part of circuit breaker according to different requirements, under-voltage and shunt releases as well as control part of electric operating mechanism are arranged on the left side, there into, the under-voltage and shunt releases are connected with the mechanism of amplification through the release, for reducing tripping force of circuit breaker. The auxiliary contacts are used for connecting with the secondary circuit, the panel has indicators of "│", "○" and "ENERGY STORAGE" for showing the working position ofcircuit breaker, also has buttons "│" and "○" for closing and opening. DW15-1000 and 1600 circuit breakers have front manual operated handles; DW15-2500 and 4000 areattached with manual operated handles for overhaul purpose (both of them can be dismantled).
Model

Main Technical Data

Note: a. Technical parameters of DW15C-200, 400 and 630 are the same as that of DW15-200, 400 and 630.
? ? ? ? ?b. Service life of drawer seat of DW15C is 200 times,?
? ? ? ? ? ? ?mechanical life of DW15-6300(In≥5000A) free of maintenance is 1500 times.
? ? ? ? ?c. Indexes of flashover distance in brackets are for products of 1140V.
? ? ? ? ?d. Indexes of breaking capacity in brackets are for current-limiting types.
? ? ? ? ?e. In=5000 and 6300A only have electromagnetic type,
? ? ? ? ? ? ?the rests have thermal-electromagnetic and electromagnetic two types.
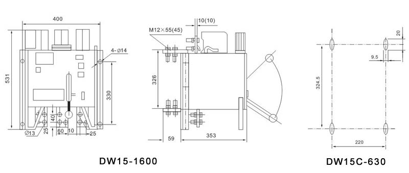
External And Installation Size




中文
ENGLISH
Email:
website:
Service hotline





