Print current pageProduct Description
- brief introduction
- technical parameter
- Product size
Application
Auto transfer switching equipment (ATSE, ATS), is a device integrated with the switching function and logic control, truly perform electromechanical integration function, suitable for operating in the distribution system of AC50Hz, rated voltage AC400V, conventional thermal current up to 1600A in mineral and other enterprises. It provides the operation function of voltage detection, forcedly switching off “0” position, manual emergency operation and etc, widely used to shift between normal power and standby power or two loading equipment, or perform safe isolation and etc. the control circuit board will govern the motor through logic commands, then motor will drive the operating mechanism of main switches, quickly closing or opening or shift the lines, the safe isolation of main switch is obvious and legible by eye.
Model

Main Technical data
Complied standard: IEC6094-6-1, GB14048.11-2008
Rated operating voltage (Ue): AC400V;
Rated insulation voltage (Ue): AC690V;
Rated operating current (Ie): 10 ~ 3200A;
Control supply voltage: DC24V, DC48V, AC230V
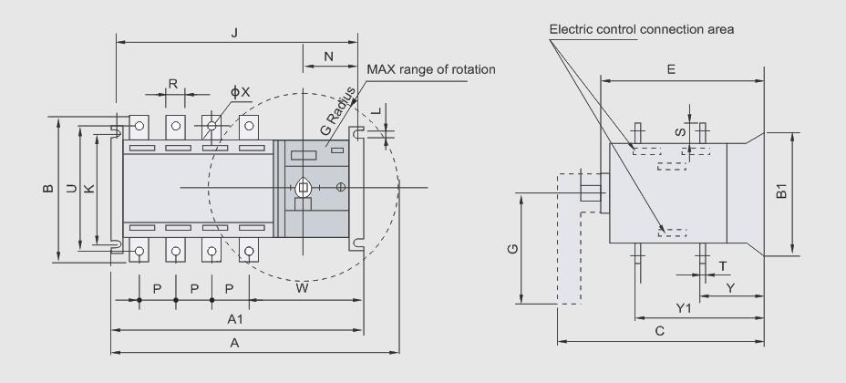
External And Installation Size



中文
ENGLISH
Email:
website:
Service hotline





