Print current pageProduct Description
- brief introduction
- technical parameter
- Product size
Application
DZ20 series molded case circuit breaker andDZ20□W no-flashover circuitbreaker(hereinafterreferredtoascircuitbreaker)aresuitablefordistributingline of AC 50Hz (or 60Hz), ratedcurrent 1250A, rated insulation voltage 690Vand rated working voltage 380 (400)V or below,used to distribute electric energy and protect circuit and power equipment against overload,short circuit and under voltage. Hereinto, typeY, J, G circuit breakers of rated current 225Aand type Y circuit breakers of rated current400A and below also can be used to protectmotor. Under normal condition, they also canbe applied to switching circuit and starting themotor infrequently respectively. The products are in conformity with such standardsas GB 14048.2, GB 14048.4, IEC 60947-2 andIEC 60947-4.
Main Technical Data
1.Main technical parameters of circuit breaker

2.Main technical parameters of control circuit
3.Main technical parameters of auxiliary contact and alarm contact
4.Short-circuit Protection

5.Inverse time lag breaking characteristics of circuit breaker for distribution protection
6.Inverse time lag characteristics of circuit breaker for motor protection
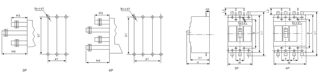
External And Installation Size


中文
ENGLISH
Email:
website:
Service hotline





