Print current pageProduct Description
- brief introduction
- technical parameter
- Product size
Application
CKJ5 Series AC Low voltage vacuum contactor is operated in the current system of AC50Hz, rated working voltage of main circuit up to 1140V, rated current up to 630A, used to remotely to make or break or frequently start and control AC motor. It can also be cooperated with various protective devices to form magnetic starter, the arc will not be exposed, specially it can be used to construct as explosion proof magnetic starter, suitable for coal or petroleum field.
Main Technical data

Note: Ie is rated current of main circuit
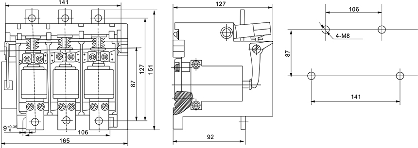
Outline and mounting sizes


中文
ENGLISH
Email:
website:
Service hotline





