Print current pageProduct Description
- brief introduction
- technical parameter
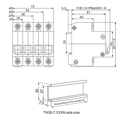
- Product size
Application
The DZ47-63 series miniature circuit breaker is applicable to the circuit an alternating current of 50Hz, rated voltage of 230/380V, and rated current up to 63A for overload protection and short circuit protection and also for not-frequent operational transformation in the circuit under normal condition.The product meets the standards of GB10963.1, IEC60898-1, ?Obtained CCC, CE certification.
Normal operating conditions
1.?air temperature: -5°C~+40°C, the mean value is no higher than +35°C ?within?24 hours .
2.Altitude: not higher than 2000m in installation site.
3. Atmospheric conditions:The air Relative humidity in the installation point will can't more than 50% in the highest temperature 40 C。?
? ? ?The air Relative humidity can't more than 90%, in the month most humidity and Monthly average minimum temperature not higher than 25 C.
4.Installation category: II, III grade.
Main technical parameters
1.Rated voltage short circuit breaking capacity
|
Rated Current(A) |
Pole Number |
Rated voltage(V) |
short circuit breaking capacity |
|
|
Expected Current |
Power Factor |
|||
|
C1-C40 |
1P |
220 |
6000 |
0.65~0.70 |
|
2.3.4.P |
380 |
|||
|
C50-C63 D1-D63 |
1P |
220 |
4000 |
0.75~0.80 |
|
2.3.4P |
380 |
|||
2.Tripping characteristics
|
Item |
Rated Current(A) |
Starting Status |
Test Current(A) |
Test Time |
Expected Results |
Remark |
|
a |
All |
cold |
1.13In |
t≥1h |
Not trip |
|
|
b |
All |
After test “a” |
1.45In |
t<1h |
tripping |
Current up to right data in 5s. |
|
c |
In≤32A In>32A |
cold |
2.55In |
1s<t<60s 1s<t<120s |
tripping |
|
|
d |
All |
cold |
3In |
t≥0.1s |
Not trip |
B |
|
5In |
C |
|||||
|
10In |
D |
|||||
|
e |
All |
cold |
5In |
t<0.1s |
tripping |
B |
|
10In |
C |
|||||
|
16In |
D |

中文
ENGLISH
Email:
website:
Service hotline





