Print current pageProduct Description
- brief introduction
- technical parameter
- Product size
Code and Implication
Three-phase integrated compensation type: Theconnection mode of capacitor is delta connection.
Single-phase separate compensation type: Theconnection mode of capacitor is star connection.
Functions and features
Switching while pass through zero:
Depending on intelligent chipset and digital circuit and magnetic holding relay, ZMFK combined switch perform switching on when voltage passing through, and switching off while current passing through zero, make the switch opened or closed at zero value, not produce over-voltage. Also it has no surging current, low power loss, high service life, low fault and etc, they are widely used in the field of low voltage reactive power compensation.
Protection function:
Use microprocessor to monitor and control switching relay and the operation status of input source and load, provide complete protection functions
1. Protection against system over-voltage, under-voltage: when these faults occur, it will switch off automatically, and the indicator is ON for warning.
2.Protection of phase failure: if any phase is lost, it will switch off automatically, and the indicator is ON for warning.
3.Protection of power off: when the power is ON, but out of power failure suddenly, it will switch off automatically.
4. Protection of no-load: if the system has no load, closing operation will be not performed, and the indicator will flash for warning.
5.Indicate the switch status of each phase, indicators: continuous ON means normal, flashing means: over-voltage, under-voltage or phase failure, A/B/C phase status indicator ON, continuous lighting, means the switch closed, the indicator of some phase flashing, means this phase has fault, or the capacitor of this phase is delayed under discharging.
Self-diagnosed fault: If any phase has fault, it will reject action, indicator flash for warning.
Combined switch does not need to connect with N line.
Low power loss:
Magnetic holding relay will consume power only at the time of switching, otherwise it will not need power.
Operation safety:
All input signal for control are safely isolated from inner circuits, meanwhile the advanced intelligent control technology is adopted, in comparison with similar products, our type has smaller surge, and more reliable. Input signal is isolated from combined switch through photoelectric mode, high EMC protected facility, anti-interference, safe operation.
Main technical indicators
Ambient temperature: -20°C~+55°C;
Relative humidity: 40°C when, 20%~90%;
Rated voltage: 380V/220V, AC 50Hz;
Permissible deviation: The synchronous change of three phase voltage is not more than ±20%;
Degree of distortion is less than 5%;
Rated frequency: 50HZ;
Rated current: 45/55A;
Service life: 500,000times;
Number of phase: Three phases (△-connection) and single phase(Y-connection)
Control capacity: ≤40Kvar at three-phase integratedcompensation
Single-phase separate compensation:≤13.3Kvar;
Power consumption: ≤1.5VA;
Contact voltage drop: ≤100mV;
Contact withstand voltage: ≥1600V;
Response time: ≤100ms;Interval of every making and breaking:≥5s;
Interval of continuous two makings: ≥35s;
Startup voltage: DC12V±20%;
Input impendence: ≥6.8K;
Conduction impendence: ≤0.003Ω;
Inrush current: <1.5 In
specification
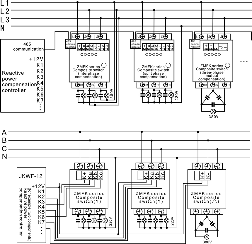
Installation and wiring methods
This combined switch is used in 380V distribution network, to control the switching on/off of reactive capacitors. Input side need three-phase lines only, N line not required, the cable shall use proper multi-core copper conductor in consideration of otal three-phase capacity, if total capacity less than 30KVAR, 10sqmm multi-core cable can be used, for 30KVAR and above, please use 16sqmm or larger one, cable connector/lugs shall be pressed tightly by screw/bolt, otherwise overheating will lead to damaging the product.
Outline size: L 160 x W 96 x D 95 mm
L 212 x W 106 x D 85 mm
Fixing hole distance: L 142 x W 80mm/L 199 x W 88mm

wiring diagram


中文
ENGLISH
Email:
website:
Service hotline





