Product Classification
Print current pageProduct Description
- brief introduction
- technical parameter
- Product size
Code and implication?

Technical parameters ?

Wiring Diagram

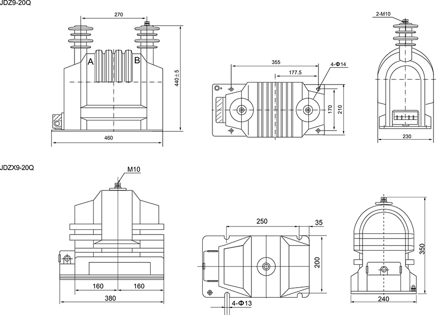
Outline dimensions


中文
ENGLISH
Email:
website:
Service hotline





