Print current pageProduct Description
- brief introduction
- technical parameter
- Product size
Application
LMK1(BH) - 0.66 type current transformer is mainly used for indoor, for rated voltage up to and including 0.66 kV, rated frequency 50Hz ac circuit as the electric current and electric energy measurement and relay protection. Product is a plastic shell type current transformer, are widely used in the complete sets of cabinet put oneself in another's position, its installation method can be used bus fixed and base plate fixed installation method, suitable for any direction installation, a conductor for bus or cable.
Standard: GB20840
Code and implication

Normal working/installation conditions
1. ?Installation sites: Indoor
2. ?Ambient temperature : (-5~40)℃
3. Ambient humidity: ≤80%
4. Altitude: ≤1000m
5. Atmospheric conditions: no serious impurity in the atmosphere.
Ordering instructions
When the customer ordering, must provide the following information:
1, The product model and window width;
2, Rated current ratio;
3, Rated output, and the corresponding accurate level;
For example: order LMK1 (BH) - 0.66 type, window width is 30 mm, rated current than 200/5 a and rated output 5 va, accurate magnitude 0.5 on the Richter scale transformer.
Order, code-named LMK1 (BH) 0.66 Φ 30 200/5 1 turn 5 va a 0.5 on the Richter scale are unlikely.
4, if you have special requirements, can be customized consultation with the manufacturer.
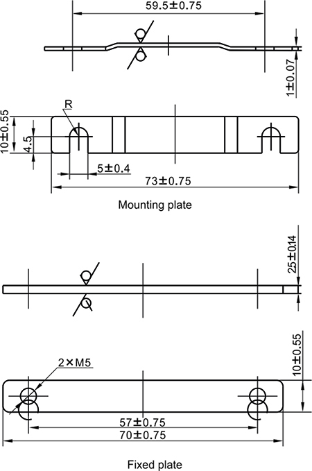
The installation accessories

Technical parameters and installation size




中文
ENGLISH
Email:
website:
Service hotline





